风力发电机
应用概述
应用概述
风力发电就是将风能转化为机械能,再将机械能转化为电能的过程。这个过程中不需要燃料也没有辐射,更没有产生空气污染,是一种清洁能源。
太阳成可提供从风电变桨器到风电变流器全系统的解决方案,1700V 50A~900A系列模块为不同功率段的产品提供最优的解决方案。
风力发电机
应用系统图
应用系统图
风力发电机
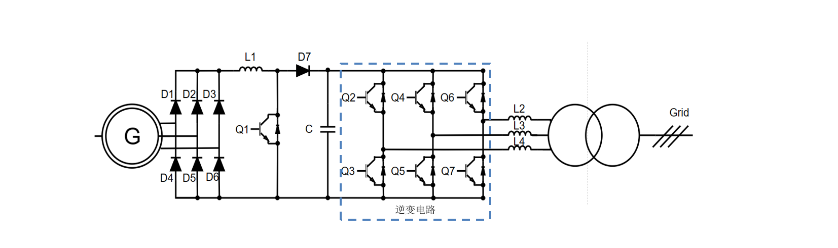
应用拓扑图
应用拓扑图
风力发电机
推荐产品
推荐产品
IGBT模块产品清单
| Part Number | VCE(V) | Ic(A)@100℃ | Vcesat(V) @25℃ typ |
Eon(mJ) | Eoff(mJ) | Package | Datasheet |
|---|---|---|---|---|---|---|---|
| MPFF75R17RBF | 1700 | 75 | 2 | 21.1 | 20.5 | 34mm module | Download |
| MPFF100R17RBF | 1700 | 100 | 2.2 | 22.5 | 21.9 | 34mm module | Download |
| MPFF300R17MBF | 1700 | 300 | 2.17 | 145.4 | 124.9 | EconoDUAL 3 | Download |
| MPFF450R17MBF | 1700 | 450 | 2.29 | 153.1 | 131.5 | EconoDUAL 3 | Download |
| MPFF600R17MBF | 1700 | 600 | 2.3 | 291 | 169 | EconoDUAL 3 | Download |
硅基芯片及模组系列
第三代半导体芯片及模组系列